Llámame
Doméstica:+86-18169817259
En el extranjero:+86-13790081902
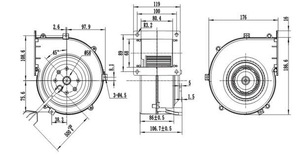
Material: Impulsor HECHO DE PP, carcasa de desplazamiento hecha de PP
Cojinete: Rodamiento de bolas
Control de velocidad: entrada de control 0-5/10V o PWM
Temperatura de trabajo: -25 ~ 60 °C
Clase de aislamiento: B
Clase de protección: IP44

Rendimiento:

Punto DE TRABAJO | Presión estática (Pa) | Flujo de aire (M3/H) | Velocidad (R/min) | Potencia (W) |
1 | 85 | 285 | 2410 | 60 |
2 | 175 | 240 | 2616 | 59 |
3 | 240 | 205 | 2796 | 56 |
4 | 300 | 170 | 2797 | 46 |
Parámetro: (puede ser personalizado)
Modelo de ventilador | Tipo de motor | Voltaje | Potencia | Corriente | Velocidad | Flujo de aire | Ruido |
(V) | (W) | A) | (R/min) | (M3/H) | Lp:dB(A) | ||
DG120C-D072A6-** | DM070A | DC24 | 40 | 2,5 | 2200 | 320 | 62 |
DG120C-D072A8-** | DC48 | 40 | 1,25 | 2200 | 320 | 62 |
Enlaces rápidos