Llámame
Doméstica:+86-18169817259
En el extranjero:+86-13790081902
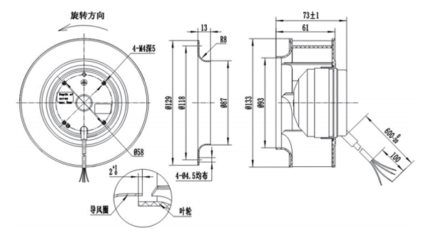
Material: Impulsor HECHO DE PA66
Cojinete: Rodamiento de bolas
Control de velocidad: Turnos Grifos (producto de múltiples velocidades)
Temperatura de trabajo: -25 ~ 55 °C
Clase de aislamiento: F
Clase de protección: IP44
Aprobaciones: CCC, CE

Rendimiento:

Punto DE TRABAJO | Presión estática (Pa) | Flujo de aire (M3/H) | Velocidad (R/min) | Potencia (W) |
1 | 40 | 200 | 2550 | 28 |
2 | 72 | 174 | 2650 | 28 |
3 | 95 | 148 | 2640 | 28 |
4 | 110 | 125 | 2635 | 28 |
5 | 125 | 100 | 2625 | 28 |
Modelo de ventilador | Tipo de motor | Voltaje | Potencia | Corriente | Velocidad | Flujo de aire | Ruido |
(V) | (W) | A) | (R/min) | (M3/H) | Lp:dB(A) | ||
BC133A-A072A2-** | AM072A | AC230/50Hz | 28 | 0,13 | 2550 | 220 | 55 |
Enlaces rápidos