Llámame
Doméstica:+86-18169817259
En el extranjero:+86-13790081902
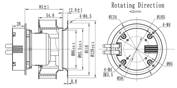
Material: Impulsor HECHO DE PA66
Cojinete: Rodamiento de bolas
Control de velocidad: entrada de control 0-10V o PWM
Temperatura de trabajo: -25 ~ 60 °C
Clase de aislamiento: B
Clase de protección: IP54
Aprobaciones: CCC, CE

Rendimiento:

Punto DE TRABAJO | Presión estática (Pa) | Flujo de aire (M3/H) | Velocidad (R/min) | Potencia (W) |
1 | 200 | 380 | 5230 | 83 |
2 | 240 | 360 | 5230 | 85 |
3 | 295 | 330 | 5235 | 86 |
4 | 350 | 300 | 5225 | 88 |
Modelo de ventilador | Tipo de motor | Voltaje | Potencia | Corriente | Velocidad | Flujo de aire | Ruido |
(V) | (W) | A) | (R/min) | (M3/H) | Lp:dB(A) | ||
BC133A-E072A3-** | EM072A | 230V/50Hz | 55 | 0,41 | 4500 | 425 | 67 |
Enlaces rápidos