Llámame
Doméstica:+86-18169817259
En el extranjero:+86-13790081902
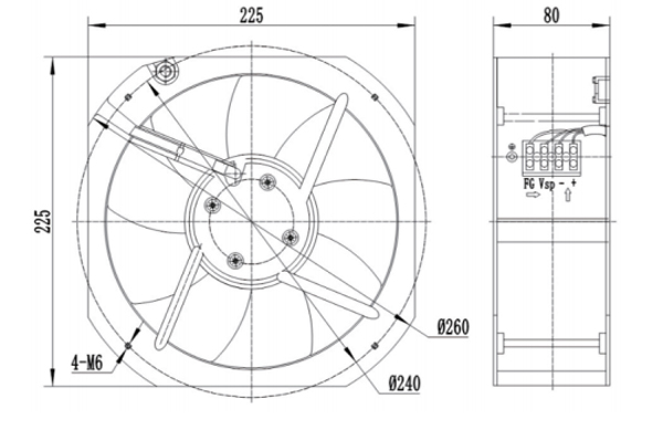
Material: impulsor hecho de placa fría con revestimiento eléctrico, 9 aspas de ventilador, el marco de aleación de aluminio
Cojinete: Rodamiento de bolas
Control de velocidad: entrada de control 0 ~ 10V/PWM
Temperatura de trabajo: -25 ~ 55 °C
Clase de aislamiento: B
Clase de protección: IP44
Aprobaciones: CCC, CE

Rendimiento:

Punto DE TRABAJO | Presión estática (Pa) | Flujo de aire (M3/H) | Velocidad (R/min) | Potencia (W) |
1 | 25 | 960 | 2890 | 65 |
2 | 50 | 900 | 2850 | 64 |
3 | 75 | 820 | 2800 | 65 |
4 | 85 | 700 | 2780 | 64 |
Modelo de ventilador | Tipo de motor | Voltaje | Potencia | Corriente | Velocidad | Flujo de aire | Ruido |
(V) | (W) | A) | (R/min) | (M3/H) | Lp:dB(A) | ||
AG200C-D092A6-** | DM092A6 | DC24V | 65 | 2,5 | 2950 | 980 | 68 |
AG200C-D092A8-** | DM092A8 | DC48V | 65 | 1,3 | 2950 | 980 | 68 |
AG200C-D092A0-** | DM092A0 | DC310/160V | 65 | 0,3 | 2950 | 980 | 68 |
Enlaces rápidos