Llámame
Doméstica:+86-18169817259
En el extranjero:+86-13790081902
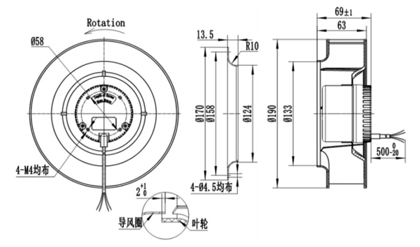
Material: lmpeller HECHO DE PA66
Cojinete: Rodamiento de bolas
Control de velocidad: entrada de control 0-5/10V o PWM
Temperatura de trabajo: -25 ~ 60 °C
Clase de aislamiento: B
Clase de protección: IP44
Aprobaciones: CCC, CE

Rendimiento:

Punto DE TRABAJO | Presión estática (Pa) | Flujo de aire (M3/H) | Velocidad (R/min) | Potencia (W) |
1 | 75 | 560 | 3039 | 63 |
2 | 150 | 490 | 2995 | 64 |
3 | 210 | 420 | 2966 | 65 |
4 | 260 | 350 | 2950 | 65 |
5 | 305 | 280 | 2950 | 62 |
Modelo de ventilador | Tipo de motor | Voltaje | Potencia | Corriente | Velocidad | Flujo de aire | Ruido |
(V) | (W) | A) | (R/min) | (M3/H) | Lp:dB(A) | ||
BC190A-D072A6-** | DM072A | DC24 | 56 | 2,36 | 3000 | 600 | 68 |
BC190A-D072A8-** | DC48 | 56 | 1,2 | 3000 | 600 | 68 | |
BC190A-D072A0-** | DC310 | 38 | 0,55 | 3000 | 600 | 68 |
Enlaces rápidos